Product Summary
The PM450CLA120 is an intelligent power module. The applications of the PM450CLA120 include General purpose inverter, servo drives and other motor controls.
Parametrics
PM450CLA120 absolute maximum ratings: (1)Collector-Emitter Voltage, VCES: 1200V; (2)Collector Current, ±IC: 450A; (3)Collector Current (Peak), ±ICP: 900A; (4)Collector Dissipation, PC: 2500W; (5)Junction Temperature, Tj: -20 to +150℃.
Features
PM450CLA120 features: (1)Adopting new 5th generation IGBT (CSTBT) chip, which performance is improved by 1μm fine rule process. For example, typical Vce(sat)=1.9V @Tj=125℃; (2)I adopt the over-temperature conservation by Tj detection of CSTBT chip, and error output is possible from all each conservation upper and lower arm of IPM; (3)3φ450A, 1200V Current-sense IGBT type inverter; (4)Monolithic gate drive & protection logic; (5)Detection, protection & status indication circuits for, shortcircuit, over-temperature & under-voltage (Fo available from all arm devices); (6)Acoustic noise-less 75kW class inverter application; (7)UL Recognized.
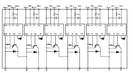
Diagrams

| Image | Part No | Mfg | Description |  | Pricing (USD) | Quantity | ||||||
|---|---|---|---|---|---|---|---|---|---|---|---|---|
|  |  PM450CLA120 |  |  MOD IPM L-SER 6PAC 1200V 450A |  Data Sheet |  
 |  | ||||||
| Image | Part No | Mfg | Description |  | Pricing (USD) | Quantity | ||||||
|  |  PM450CLA060 |  |  MOD IPM L-SER 6PAC 600V 450A |  Data Sheet |  
 |  | ||||||
|  |  PM450CLA120 |  |  MOD IPM L-SER 6PAC 1200V 450A |  Data Sheet |  
 |  | ||||||
|  |  PM45502C |  Other |  |  Data Sheet |  Negotiable |  | ||||||
|  |  PM4541 |  Other |  |  Data Sheet |  Negotiable |  | ||||||
|  |  PM45302F |  Other |  |  Data Sheet |  Negotiable |  | ||||||
 (China (Mainland))
 (China (Mainland)) 
                         
                        
 
                                    




