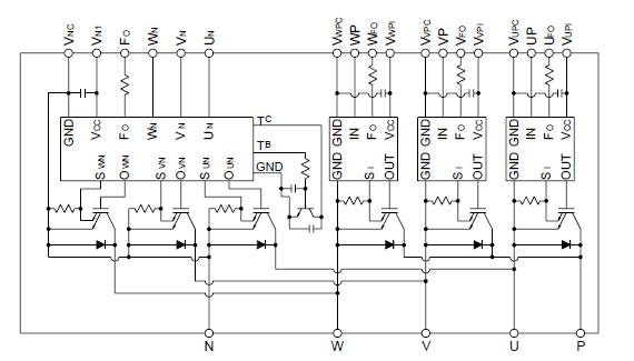
Product Summary
The PM400DVA060-4 is a Mitsubishi Intelligent Power Module. The device is isolated base module designed for power switching applications operating at frequencies to 20kHz. Built-in control circuits provide optimum gate drive and protection for the IGBT and free-wheel diode power devices. The applications of the PM400DVA060-4 include Inverters, UPS, Motion/Servo Control, Power Supplies.
Parametrics
PM400DVA060-4 absolute maximum ratings: (1)Power Device Junction Temperature, Tj: -20 to 150℃; (2)Storage Temperature ,Tstg: -40 to 125℃; (3)Case Operating Temperature, TC: -20 to 100℃; (4)Mounting Torque, M4 Mounting Screws: 0.98 to 1.47 N·m; (5)Module Weight (Typical): 60 Grams; (6)Supply Voltage Protected by OC and SC (VD = 13.5 - 16.5V, Inverter Part), VCC(prot.): 400 Volts; (7)Isolation Voltage (Main Terminal to Baseplate, AC 1 min.), Viso: 2500 Vrms.
Features
PM400DVA060-4 features: (1)Complete Output Power Circuit; (2)Gate Drive Circuit; (3)Protection Logic, Short Circuit; Over Current; Over Temperature; Under Voltage.
Diagrams

![]() |
![]() PM400DSA060 |
![]() |
![]() MOD IPM DUAL 600V 400A |
![]() Data Sheet |
![]() Negotiable |
|
||||||||||||
![]() |
![]() PM400DVA060 |
![]() |
![]() MOD IPM V-SER DUAL 600V 400A |
![]() Data Sheet |
![]() Negotiable |
|
||||||||||||
![]() |
![]() PM400HSA120 |
![]() |
![]() MOD IPM SGL 1200V 400A |
![]() Data Sheet |
![]()
|
|
||||||||||||
![]() |
![]() PM40-100K |
![]() J.W. Miller |
![]() RF Inductors 10uH 10% |
![]() Data Sheet |
![]() Negotiable |
|
||||||||||||
![]() |
![]() PM40-100K-RC |
![]() J.W. Miller |
![]() Power Inductors 10uH 10% |
![]() Data Sheet |
![]()
|
|
||||||||||||
![]() |
![]() PM40-101K |
![]() J.W. Miller |
![]() RF Inductors 100UH 4.5X3.2X3.2 |
![]() Data Sheet |
![]() Negotiable |
|
||||||||||||
(China (Mainland))








