Product Summary
MCC312-16IO1 is a thyristor module , which is used in some places, such as Motor control, softstarter;Power converter;Heat and temperature control for industrial furnaces and chemical processes;Lighting control;Solid state switches and more. There are some advantages of MCC312-16IO1 including Simple mounting,Improved temperature and power cycling,Reduced protection circuits.
Parametrics
Maximum ratings: (1)ITRMS, IFRMS:520 A at TVJ = TVJM ; (2)ITAVM, IFAVM: 320 A at TC = 85℃; 180° sine ; (3)ITSM, IFSM:9200 A at TVJ = 45℃, VR = 0, t = 10 ms (50 Hz) ; (4)ITSM, IFSM: 8800 A at TVJ = 45℃, VR = 0, t = 8.3 ms (60 Hz); (5)ITSM, IFSM: 8000 A at TVJ = TVJM, VR = 0, t = 10 ms (50 Hz) ; (6)ITSM, IFSM:8800 A at VR = 0,TVJ = TVJM, t = 8.3 ms (60 Hz) ; (7)i2dt:423 000 A2s at TVJ = 45℃,VR = 0,t = 10 ms (50 Hz); (8)i2dt:423 000 A2s at TVJ = 45℃,VR = 0,t = 8.3 ms (60 Hz) ; (9)i2dt:320 000 A2s at TVJ = TVJM,VR = 0,t = 10 ms (50 Hz); (10)i2dt:321 000 A2s at TVJ = TVJM,VR = 0,t = 8.3 ms (60 Hz) ; (11)(di/dt)cr:100 A/us at TVJ = TVJM,f =50 Hz, tP =200 us,VD = 2/3 VDRM,IG = 1 A,diG/dt = 1 A/us,repetitive, IT = 960 A; (12)(di/dt)cr:500 A/us at TVJ = TVJM,f =50 Hz, tP =200 us,VD = 2/3 VDRM,IG = 1 A,diG/dt = 1 A/us,non repetitive, IT = ITAVM; (13)(dv/dt)cr: 1000 V/us at TVJ = TVJM; VDR = 2/3 VDRM,RGK = ; method 1 (linear voltage rise); (14)PGM:120 W at TVJ = TVJM, tP = 30 us ; (15)PGM:60 W at IT = ITAVM tP = 500 us ; (16)PGAV:20W; (17)VRGM:10v; (18)TVJ: -40...+140 ℃; (19)TVJM: 140 ℃; (20)Tstg -40:...+125 ℃; (21)VISOL: 3000 V~ at 50/60 Hz, RMS t = 1 min ; (22)VISOL: 3600 V~ at IISOL ≦ 1 mA t = 1 s; (23)Md: 4.5-7/40-62 Nm/lb.in. at Mounting torque (M6) ; (24)Md:11-13/97-115 Nm/lb.in. at Terminal connection torque (M8) ; (25)Weight: 750 g at Typical including screws .
Features
Features:(1)International standard package; (2)Direct copper bonded Al2O3-ceramic with copper base plate; (3)Planar passivated chips; (4)Isolation voltage 3600 V~; (5)UL registered E 72873; (6)Keyed gate/cathode twin pins.
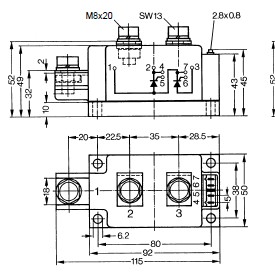
Diagrams

| Image | Part No | Mfg | Description |  | Pricing (USD) | Quantity | ||||
|---|---|---|---|---|---|---|---|---|---|---|
|  |  MCC312-16io1 |  Ixys |  Discrete Semiconductor Modules 312 Amps 1600V |  Data Sheet |  Negotiable |  | ||||
| Image | Part No | Mfg | Description |  | Pricing (USD) | Quantity | ||||
|  |  MCC310 |  Other |  |  Data Sheet |  Negotiable |  | ||||
|  |  MCC310-08io1 |  Ixys |  Discrete Semiconductor Modules 310 Amps 800V |  Data Sheet |  Negotiable |  | ||||
|  |  MCC310-12io1 |  Ixys |  Discrete Semiconductor Modules 310 Amps 1200V |  Data Sheet |  Negotiable |  | ||||
|  |  MCC310-14io1 |  Ixys |  Discrete Semiconductor Modules MOD THYRISTOR DUAL 1400V 320 AMP |  Data Sheet |  Negotiable |  | ||||
|  |  MCC310-16io1 |  Ixys |  Discrete Semiconductor Modules 310 Amps 1600V |  Data Sheet |  Negotiable |  | ||||
|  |  MCC310-18io1 |  Ixys |  Discrete Semiconductor Modules 310 Amps 1800V |  Data Sheet |  Negotiable |  | ||||
 (China (Mainland))
 (China (Mainland)) 
                         
                        
 
                                    



