Product Summary
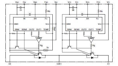
The PM200DVA120 is an intelligent power module. The applications of the PM200DVA120 include General purpose inverter, servo drives and other motor controls.
Parametrics
PM200DVA120 absolute maximum ratings: (1)Collector-Emitter Voltage, VCES: 1200V; (2)Collector Current, ±IC: 200A; (3)Collector Current (Peak), ±ICP: 400A; (4)Collector Dissipation, PC: 1033W; (5)Junction Temperature, Tj: -20 to +150℃.
Features
PM200DVA120 features: (1)1φ200A, 1200V Current-sense IGBT for 20kHz switching; (2)Monolithic gate drive & protection logic; (3)Detection, protection & status indication circuits for overcurrent, short-circuit, over-temperature & under-voltage (P-FO available from upper leg devices); (4)Acoustic noise-less 37kW class inverter application; (5)UL Recognized.
Diagrams

| Image | Part No | Mfg | Description | ![]() |
Pricing (USD) |
Quantity | ||||
|---|---|---|---|---|---|---|---|---|---|---|
![]() |
![]() PM200DVA120 |
![]() |
![]() MOD IPM V-SER DUAL 1200V 200A |
![]() Data Sheet |
![]() Negotiable |
|
||||
| Image | Part No | Mfg | Description | ![]() |
Pricing (USD) |
Quantity | ||||
![]() |
![]() PM2001-200 |
![]() Bourns |
![]() EMI Filter Beads, Chokes & Arrays 25% Choke |
![]() Data Sheet |
![]() Negotiable |
|
||||
![]() |
![]() PM2001-200-RC |
![]() |
![]() FERRITE CHIP 20 OHM 25% |
![]() Data Sheet |
![]() Negotiable |
|
||||
![]() |
![]() PM2002-300 |
![]() J.W. Miller |
![]() EMI Filter Beads, Chokes & Arrays 47ohm 25% |
![]() Data Sheet |
![]() Negotiable |
|
||||
![]() |
![]() PM2002-300-RC |
![]() Bourns |
![]() EMI Filter Beads, Chokes & Arrays 47ohms 25% |
![]() Data Sheet |
![]() Negotiable |
|
||||
![]() |
![]() PM2002DP |
![]() Other |
![]() |
![]() Data Sheet |
![]() Negotiable |
|
||||
![]() |
![]() PM2003-300 |
![]() J.W. Miller |
![]() EMI Filter Beads, Chokes & Arrays 25% Choke |
![]() Data Sheet |
![]() Negotiable |
|
||||
(China (Mainland))










