Product Summary
The BSM300GB120DLC is a type of IGBT Module. It is characterized by low drive power,low vce(sat),discrete super-fast recovery,ree-wheel diode,high frequency operation and more. The typical applications of the product include DC motor control, NC equipment,AC motor control, contactless switches,electric furnace temperature control,light dimmers,welders and so on.
Parametrics
Maximum rated values:(1)Kollektor-Emitter-Sperrspannung collector-emitter voltage, VCES: 1200 V at Tvj =25°C; (2)Kollektor-Dauergleichstrom DC-collector current : IC,nom. =300 A at TC = 80 °C; IC= 625 A at TC = 25 °C; (3)Periodischer Kollektor Spitzenstrom repetitive peak collector current,ICRM: 600 A at tP = 1 ms, TC = 80°C ; (4)Gesamt-Verlustleistung total power dissipation,Ptot: 2,5 kW at TC= 25°C, Transistor ; (5)Gate-Emitter-Spitzenspannung gate-emitter peak voltage,VGES: +/- 20V V; (6)Dauergleichstrom DC forward current, IF: 300 A; (7)Periodischer Spitzenstrom repetitive peak forw. current, IFRM: 600 A at tP = 1 ms; (8)Grenzlastintegral der Diode I2t - value, Diode, I2t: 19 k A2s at VR = 0V, tp = 10ms, TVj = 125°C; (9)Isolations-Prüfspannung insulation test voltage,VISOL: 2,5 kV at RMS, f = 50 Hz, t = 1 min.
Features
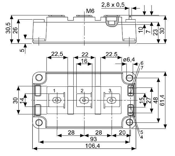
Mechanical properties:(1)Innere Isolation internal insulation: Al2O3; (2)Kriechstrecke creepage distance: 20 mm; (3)Luftstrecke clearance distance: 11 mm; (4)CTI comperative tracking index: 225; (5)Anzugsdrehmoment f. mech. Befestigung mounting torque:M:3-6Nm at Schraube / screw M6; (6)Anzugsdrehmoment f. elektr. Anschlüsse terminal connection torque:M:2.5-5Nm at Anschlüsse / terminals M6; (7)Gewicht weight ,G: 340 g.
Diagrams

| Image | Part No | Mfg | Description | ![]() |
Pricing (USD) |
Quantity | ||||||||
|---|---|---|---|---|---|---|---|---|---|---|---|---|---|---|
![]() |
![]() BSM300GB120DLC |
![]() Infineon Technologies |
![]() IGBT Modules 1200V 300A DUAL |
![]() Data Sheet |
![]()
|
|
||||||||
![]() |
![]() BSM300GB120DLC_E3256 |
![]() Infineon Technologies |
![]() IGBT Modules IGBT 1200V 300A |
![]() Data Sheet |
![]()
|
|
||||||||
(China (Mainland))









