Product Summary
The PM75RLA060 is an intelligent power module. The applications of the PM75RLA060 include General purpose inverter, servo drives and other motor controls.
Parametrics
PM75RLA060 absolute maximum ratings: (1)Collector-Emitter Voltage, VCES: 600V; (2)Collector Current, ±IC: 75A; (3)Collector Current (Peak), ±ICP: 150A; (4)Collector Dissipation, PC: 297W; (5)Junction Temperature, Tj: -20 to +150℃.
Features
PM75RLA060 features: (1)Adopting new 5th generation IGBT (CSTBT) chip, which performance is improved by 1μm fine rule process. For example, typical Vce(sat)=1.5V @Tj=125℃; (2)I adopt the over-temperature conservation by Tj detection of; (3)CSTBT chip, and error output is possible from all each conservation upper and lower arm of IPM; (4)New small package Reduce the package size by 10%, thickness by 22% from S-DASH series; (5)Current rating of brake part increased. 67% for the current rating of inverter part.; (6)3φ75A, 600V Current-sense IGBT type inverter; (7)50A, 600V Current-sense regenerative brake IGBT; (8)Monolithic gate drive & protection logic; (9)Detection, protection & status indication circuits for, shortcircuit, over-temperature & under-voltage (P-Fo available from upper arm devices); (10)Acoustic noise-less 5.5kW/7.5kW class inverter application.
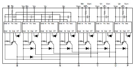
Diagrams

| Image | Part No | Mfg | Description |  | Pricing (USD) | Quantity | ||||||||||||||
|---|---|---|---|---|---|---|---|---|---|---|---|---|---|---|---|---|---|---|---|---|
|  |  PM75RLA060 |  |  MOD IPM L-SERIES 600V 75A |  Data Sheet |  
 |  | ||||||||||||||
| Image | Part No | Mfg | Description |  | Pricing (USD) | Quantity | ||||||||||||||
|  |  PM75-100K |  |  INDUCTOR UNSHIELD 10UH 10% SMT |  Data Sheet |  Negotiable |  | ||||||||||||||
|  |  PM75-100K-RC |  Bourns |  Power Inductors 10uH 10% |  Data Sheet |  
 |  | ||||||||||||||
|  |  PM75-101K |  |  INDUCTOR UNSHIELD 100UH 10% SMT |  Data Sheet |  Negotiable |  | ||||||||||||||
|  |  PM75-101K-RC |  J.W. Miller |  Power Inductors Power Inductor, Non-Shielded |  Data Sheet |  Negotiable |  | ||||||||||||||
|  |  PM75-120K |  |  INDUCTOR UNSHIELD 12UH 10% SMT |  Data Sheet |  Negotiable |  | ||||||||||||||
|  |  PM75-120K-RC |  J.W. Miller |  Power Inductors MAGNETICS - NON-SHIELDED POWER INDUCTOR |  Data Sheet |  Negotiable |  | ||||||||||||||
 (China (Mainland))
 (China (Mainland)) 
                         
                        
 
                                    




