Product Summary
The PM50RL1A120 is an intelligent power module. The applications of the PM50RL1A120 include General purpose inverter, servo drives and other motor controls.
Parametrics
PM50RL1A120 absolute maximum ratings: (1)Collector-Emitter Voltage, VCES: 1200V; (2)Collector Current, ±IC: 50A; (3)Collector Current (Peak), ±ICP: 100A; (4)Collector Dissipation, PC: 462W; (5)Junction Temperature, Tj: -20 to +150℃.
Features
PM50RL1A120 features: (1)Adopting new 5th generation Full-Gate CSTBTTM chip; (2)The over-temperature protection which detects the chip surface temperature of CSTBTTM is adopted; (3)Error output signal is possible from all each protection upper and lower arm of IPM; (4)Compatible L-series package.
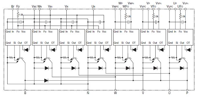
Diagrams

| Image | Part No | Mfg | Description | ![]() |
Pricing (USD) |
Quantity | ||||||||||||
|---|---|---|---|---|---|---|---|---|---|---|---|---|---|---|---|---|---|---|
![]() |
![]() PM50RL1A120 |
![]() Other |
![]() |
![]() Data Sheet |
![]() Negotiable |
|
||||||||||||
| Image | Part No | Mfg | Description | ![]() |
Pricing (USD) |
Quantity | ||||||||||||
![]() |
![]() PM500 |
![]() Other |
![]() |
![]() Data Sheet |
![]() Negotiable |
|
||||||||||||
![]() |
![]() PM50100K |
![]() Other |
![]() |
![]() Data Sheet |
![]() Negotiable |
|
||||||||||||
![]() |
![]() PM50150 |
![]() Other |
![]() |
![]() Data Sheet |
![]() Negotiable |
|
||||||||||||
![]() |
![]() PM5022-100M |
![]() Bourns |
![]() Power Inductors 10uH 20% |
![]() Data Sheet |
![]() Negotiable |
|
||||||||||||
![]() |
![]() PM5022-100M-RC |
![]() J.W. Miller |
![]() Power Inductors 10uH 20% |
![]() Data Sheet |
![]()
|
|
||||||||||||
![]() |
![]() PM5022-101K-RC |
![]() Bourns |
![]() Power Inductors Pwr Inductor, Non-Shielded |
![]() Data Sheet |
![]() Negotiable |
|
||||||||||||
(China (Mainland))










