Product Summary
MDA72-16N1B is a diode module, which is applied in Supplies for DC power equipment,DC supply for PWM inverter,Field supply for DC motors,Battery DC power supplies. It is manufactured by IXYS Corporation. There are some advantages of MDA72-16N1B like Space and weight savings Simple mounting,Improved temperature and power,cycling,Reduced protection circuits.
Parametrics
Maximum ratings:(1)IFRMS: 180 A at TVJ = TVJM ; (2)IFAVM:113 A at TC = 92°C; 180° sine ; (3)IFAVM:99 A at TC = 100°C; 180° sine ; (4)IFSM: 1700 A at TVJ = 45°C,VR = 0, t = 10 ms (50 Hz), sine ; (5)IFSM: 1950 A at VR = 0, TVJ = 45°C, t = 8.3 ms (60 Hz), sine; (6)IFSM:1540 A at TVJ = TVJM, VR = 0, t = 10 ms (50 Hz), sine ; (7)IFSM: 1800 A at VR = 0, TVJ = TVJM,t = 8.3 ms (60 Hz), sine; (8)i2dt: 14450 A2s at TVJ = 45°C, VR = 0,t = 10 ms (50 Hz), sine ; (9)i2dt:15700 A2s at VR = 0,TVJ = 45°C, t = 8.3 ms (60 Hz), sine ; (10)i2dt: 11850 A2s at TVJ = TVJM, VR = 0,t = 10 ms (50 Hz), sine ; (11)i2dt:13400 A2s at VR = 0,TVJ = TVJM, t = 8.3 ms (60 Hz), sine ; (12)TVJ: -40...+150 °C; (13)TVJM: 150 °C; (14)Tstg: -40...+125 °C; (15)VISOL: 3000 V~ at 50/60 Hz, RMS, t = 1 min ; (16)VISOL: 3600 V~ at IISOL ≤ 1 mA, t = 1 s ; (17)Md: 2.5-4/22-35 Nm/lb.in. at Mounting torque (M5) ; (18)Md: 2.5-4/22-35 Nm/lb.in. at Terminal connection torque (M5) ; (19)Weight:90 g at Typical including screws.
Features
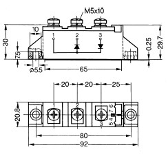
Features:(1)International standard package JEDEC TO-240 AA; (2)Direct copper bonded Al2O3 -ceramic base plate; (3)Planar passivated chips; (4)Isolation voltage 3600 V~; (5)UL registered, E 72873.
Diagrams

| Image | Part No | Mfg | Description | ![]() |
Pricing (USD) |
Quantity | ||||||
|---|---|---|---|---|---|---|---|---|---|---|---|---|
![]() |
![]() MDA72-16N1B |
![]() |
![]() MOD DIODE DUAL 1600V TO-240AA |
![]() Data Sheet |
![]()
|
|
||||||
| Image | Part No | Mfg | Description | ![]() |
Pricing (USD) |
Quantity | ||||||
![]() |
![]() MDA72-08N1B |
![]() |
![]() MOD DIODE DUAL 800V TO-240AA |
![]() Data Sheet |
![]()
|
|
||||||
![]() |
![]() MDA72-14N1B |
![]() |
![]() MOD DIODE DUAL 1400V TO-240AA |
![]() Data Sheet |
![]()
|
|
||||||
![]() |
![]() MDA72-16N1B |
![]() |
![]() MOD DIODE DUAL 1600V TO-240AA |
![]() Data Sheet |
![]()
|
|
||||||
(China (Mainland))









