Product Summary
The PM150RLA120 is an intelligent power module. The applications of the PM150RLA120 include General purpose inverter, servo drives and other motor controls.
Parametrics
PM150RLA120 absolute maximum ratings: (1)Collector-Emitter Voltage, VCES: 1200V; (2)Collector Current, ±IC: 150A; (3)Collector Current (Peak), ±ICP: 300A; (4)Collector Dissipation, PC: 1041W; (5)Junction Temperature, Tj: -20 to +150℃.
Features
PM150RLA120 features: (1)Adopting new 5th generation IGBT (CSTBT) chip, which performance is improved by 1μm fine rule process. For example, typical Vce(sat)=1.9V @Tj=125℃; (2)I adopt the over-temperature conservation by Tj detection of CSTBT chip, and error output is possible from all each conservation upper and lower arm of IPM; (3)Current rating of brake part increased. 50% for the current rating of inverter part.; (4)3φ150A, 1200V Current-sense IGBT type inverter; (5)75A, 1200V Current-sense regenerative brake IGBT; (6)Monolithic gate drive & protection logic; (7)Detection, protection & status indication circuits for, shortcircuit, over-temperature & under-voltage (P-Fo available; (8)from upper arm devices); (9)Acoustic noise-less 30kW class inverter application; (10)UL Recognized.
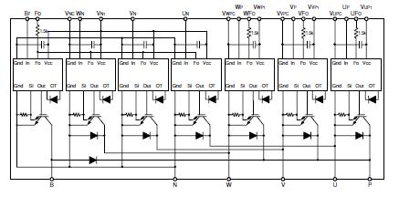
Diagrams

| Image | Part No | Mfg | Description |  | Pricing (USD) | Quantity | ||||||
|---|---|---|---|---|---|---|---|---|---|---|---|---|
|  |  PM150RLA120 |  |  MOD IPM L-SER 7PAC 1200V 150A |  Data Sheet |  
 |  | ||||||
| Image | Part No | Mfg | Description |  | Pricing (USD) | Quantity | ||||||
|  |  PM150CBS060 |  Other |  |  Data Sheet |  Negotiable |  | ||||||
|  |  PM150CL1A060 |  Other |  |  Data Sheet |  Negotiable |  | ||||||
|  |  PM150CL1A120 |  Other |  |  Data Sheet |  Negotiable |  | ||||||
|  |  PM150CL1B060 |  Other |  |  Data Sheet |  Negotiable |  | ||||||
|  |  PM150CLA060 |  |  MOD IPM L-SER 6PAC 600V 150A |  Data Sheet |  
 |  | ||||||
|  |  PM150CLA120 |  |  MOD IPM L-SER 6PAC 1200V 150A |  Data Sheet |  
 |  | ||||||
 (China (Mainland))
 (China (Mainland)) 
                         
                        
 
                                    




