Product Summary
The PM150RLA060 is an intelligent power module. The applications of the PM150RLA060 include General purpose inverter, servo drives and other motor controls.
Parametrics
PM150RLA060 absolute maximum ratings: (1)Collector-Emitter Voltage, VCES: 600V; (2)Collector Current, ±IC: 150A; (3)Collector Current (Peak), ±ICP: 300A; (4)Collector Dissipation, PC: 625W; (5)Junction Temperature, Tj: -20 to +150℃.
Features
PM150RLA060 features: (1)Adopting new 5th generation IGBT (CSTBT) chip, which performance is improved by 1μm fine rule process. For example, typical Vce(sat)=1.5V @Tj=125℃; (2)I adopt the over-temperature conservation by Tj detection of CSTBT chip, and error output is possible from all each conservation upper and lower arm of IPM; (3)New small package, Reduce the package size by 10%, thickness by 22% from S-DASH series; (4)Current rating of brake part increased. 50% for the current rating of inverter part; (5)3φ150A, 600V Current-sense IGBT type inverter; (6)75A, 600V Current-sense regenerative brake IGBT; (7)Monolithic gate drive & protection logic; (8)Detection, protection & status indication circuits for, shortcircuit, over-temperature & under-voltage (P-Fo available; (9)from upper arm devices); (10)Acoustic noise-less 15kW/18.5kW class inverter application; (11)UL Recognized.
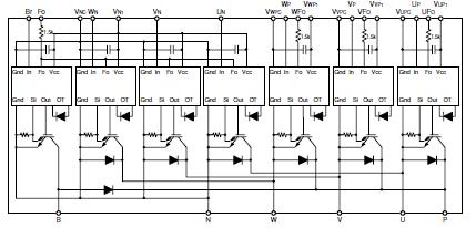
Diagrams

| Image | Part No | Mfg | Description | ![]() |
Pricing (USD) |
Quantity | ||||||
|---|---|---|---|---|---|---|---|---|---|---|---|---|
![]() |
![]() PM150RLA060 |
![]() |
![]() MOD IPM L-SER 7PAC 600V 150A |
![]() Data Sheet |
![]()
|
|
||||||
| Image | Part No | Mfg | Description | ![]() |
Pricing (USD) |
Quantity | ||||||
![]() |
![]() PM150CBS060 |
![]() Other |
![]() |
![]() Data Sheet |
![]() Negotiable |
|
||||||
![]() |
![]() PM150CL1A060 |
![]() Other |
![]() |
![]() Data Sheet |
![]() Negotiable |
|
||||||
![]() |
![]() PM150CL1A120 |
![]() Other |
![]() |
![]() Data Sheet |
![]() Negotiable |
|
||||||
![]() |
![]() PM150CL1B060 |
![]() Other |
![]() |
![]() Data Sheet |
![]() Negotiable |
|
||||||
![]() |
![]() PM150CLA060 |
![]() |
![]() MOD IPM L-SER 6PAC 600V 150A |
![]() Data Sheet |
![]()
|
|
||||||
![]() |
![]() PM150CLA120 |
![]() |
![]() MOD IPM L-SER 6PAC 1200V 150A |
![]() Data Sheet |
![]()
|
|
||||||
(China (Mainland))









