Product Summary
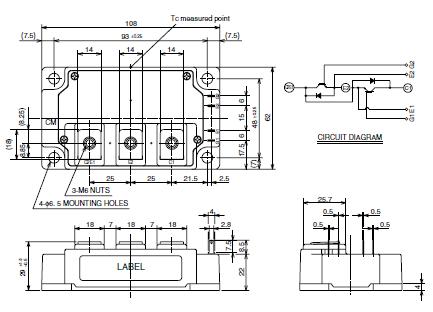
The CM300DU-24NFH is an IGBT module. The applications of the CM300DU-24NFH include High frequency switching use (30kHz to 60kHz), Gradient amplifier, Induction heating, power supply, etc.
Parametrics
CM300DU-24NFH absolute maximum ratings: (1)Collector-emitter voltage, G-E Short, VCES: 1200V; (2)Gate-emitter voltage, C-E Short, VGES: ±20V; (3)Collector current, operation, IC: 300A; (4)Collector current, pulse, ICM: 600A; (5)Emitter current, operation, IE: 300A; (6)Emitter current, pulse, IEM: 600A; (7)Maximum collector dissipation, TC= 25℃, PC: 1130W; (8)Junction temperature, TJ: -40 to +150℃; (9)Storage temperature, Tstg: -40 to +125℃; (10)Isolation voltage, Viso: 2500Vrms.
Features
CM300DU-24NFH features: (1)IC: 300A; (2)VCES: 1200V; (3)Insulated Type; (4)2-elements in a pack.
Diagrams

| Image | Part No | Mfg | Description | ![]() |
Pricing (USD) |
Quantity | ||||||||||||||||
|---|---|---|---|---|---|---|---|---|---|---|---|---|---|---|---|---|---|---|---|---|---|---|
![]() |
![]() CM300DU-24NFH |
![]() |
![]() IGBT MOD DUAL 1200V 300A NFH SER |
![]() Data Sheet |
![]()
|
|
||||||||||||||||
| Image | Part No | Mfg | Description | ![]() |
Pricing (USD) |
Quantity | ||||||||||||||||
![]() |
![]() CM3002 |
![]() Other |
![]() |
![]() Data Sheet |
![]() Negotiable |
|
||||||||||||||||
![]() |
![]() CM300DU-12F |
![]() |
![]() IGBT MOD DUAL 600V 300A F SER |
![]() Data Sheet |
![]()
|
|
||||||||||||||||
![]() |
![]() CM300DU-12H |
![]() |
![]() IGBT MOD DUAL 600V 300A U SER |
![]() Data Sheet |
![]()
|
|
||||||||||||||||
![]() |
![]() CM300DU-12NFH |
![]() |
![]() IGBT MOD DUAL 600V 300A NFH SER |
![]() Data Sheet |
![]()
|
|
||||||||||||||||
![]() |
![]() CM300DU-24F |
![]() |
![]() IGBT MOD DUAL 1200V 300A F SER |
![]() Data Sheet |
![]()
|
|
||||||||||||||||
![]() |
![]() CM300DU-24H |
![]() |
![]() IGBT MOD DUAL 1200V 300A U SER |
![]() Data Sheet |
![]()
|
|
||||||||||||||||
(China (Mainland))










