Product Summary
The SF1500EX22 is a thyristor module.
Parametrics
SF1500EX22 absolute maximum ratings: (1)Repetitive Peak Off-State Voltage and Repetitive Peak Reverse Voltage, Vdrm/VRRM: 4000V; (2)Non-Repetitive Peak Reverse Voltage (Non-Repetitive < 5ms, Tj = 0 to 125℃), vrsm: 4400V; (3)R.M.S On-State Current: T(RMS): 2355A; (4)Average On-State Current, It (AV): 1500A; (5)Peak One Cycle Surge On-State Current (Non-Repetitive), ITSM: 30000 (50Hz)A; 33000 (60Hz); (6)I2t Limit Value, I2t: 450,0000A2s; (7)Critical Rate of Rise of On-State Current, di/dt: 250A/us; (8)Peak Gate Power Dissipation, pGM: 30W; (9)Average Gate Power Dissipation, pG(AV): 4W; (10)Peak Forward Gate Current: 6A; (11)Peak Forward Gate Voltage, Vfgm: 30V; (12)Peak Reverse Gate Voltage, Vrgm: 5V; (13)Junction Temperature, Tj: -40 +125℃; (14)Storage Temperature Range, Tstg: -40 to +125℃; (15)Mounting Force: 39.2 ±3.9kN.
Features
SF1500EX22 features: (1)Repetitive Peak Off-State Voltage: VDRM: 4000V; (2)Repetitive Peak Reverse Voltage: VRRM: 4000V; (3)Average On-State Current: IT(AV): 1500A; (4)Turn-Off Time, tq=400μs; (5)Critical Rate of Rise of On-State Current: di=dt=250A/μS; (6)Critical Rate of Rise of Off-State Voltage: DV/DT=1500V/μS; (7)Flat Package.
Diagrams

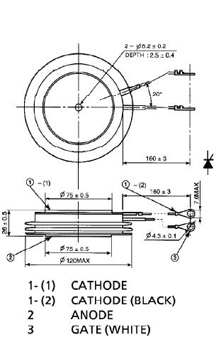
![]() |
![]() SF15 |
![]() Taiwan Semiconductor |
![]() Rectifiers 1.0 Amp 300V 35ns |
![]() Data Sheet |
![]()
|
|
||||||||||||
![]() |
![]() SF1543-6106 |
![]() Amphenol / SV Microwave |
![]() RF Connectors SVK JK BLKHD TO .085 S/R CBL |
![]() Data Sheet |
![]()
|
|
||||||||||||
![]() |
![]() SF1550-6400 |
![]() Amphenol / SV Microwave |
![]() RF Connectors SVK JK 4 HL FL MNT W/REAR FML CONT |
![]() Data Sheet |
![]()
|
|
||||||||||||
![]() |
![]() SF1575-6007 |
![]() Amphenol / SV Microwave |
![]() RF Connectors SVK JK SPARKPLG W/REAR SOKT CONT |
![]() Data Sheet |
![]()
|
|
||||||||||||
![]() |
![]() SF1590-6000 |
![]() Amphenol / SV Microwave |
![]() RF Adapters - In Series SVK JK-SVK JK ADP DC-40GHZ |
![]() Data Sheet |
![]()
|
|
||||||||||||
![]() |
![]() SF15-T |
![]() Rectron |
![]() Rectifiers 1A 300V 35ns |
![]() Data Sheet |
![]()
|
|
||||||||||||
(China (Mainland))













