Product Summary
The PM200CLA060 is an intelligent power module. The applications of the PM200CLA060 include General purpose inverter, servo drives and other motor controls.
Parametrics
PM200CLA060 absolute maximum ratings: (1)Collector-Emitter Voltage, VCES: 600V; (2)Collector Current, ±IC: 200A; (3)Collector Current (Peak), ±ICP: 400A; (4)Collector Dissipation, PC: 600W; (5)Junction Temperature, Tj: -20 to +150℃.
Features
PM200CLA060 features: (1)Adopting new 5th generation IGBT (CSTBT) chip, which performance is improved by 1μm fine rule process. For example, typical Vce(sat)=1.5V @Tj=125℃; (2)I adopt the over-temperature conservation by Tj detection of; (3)CSTBT chip, and error output is possible from all each conservation upper and lower arm of IPM; (4)3φ200A, 600V Current-sense IGBT type inverter; (5)Monolithic gate drive & protection logic; (6)Detection, protection & status indication circuits for, shortcircuit, over-temperature & under-voltage (P-Fo available from upper arm devices); (7)Acoustic noise-less 22kW class inverter application.
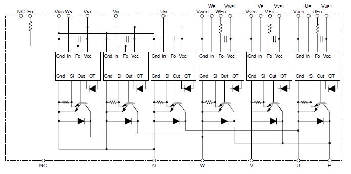
Diagrams

| Image | Part No | Mfg | Description | ![]() |
Pricing (USD) |
Quantity | ||||||
|---|---|---|---|---|---|---|---|---|---|---|---|---|
![]() |
![]() PM200CLA060 |
![]() |
![]() MOD IPM L-SER 6PAC 600V 200A |
![]() Data Sheet |
![]()
|
|
||||||
| Image | Part No | Mfg | Description | ![]() |
Pricing (USD) |
Quantity | ||||||
![]() |
![]() PM2001-200 |
![]() Bourns |
![]() EMI Filter Beads, Chokes & Arrays 25% Choke |
![]() Data Sheet |
![]() Negotiable |
|
||||||
![]() |
![]() PM2001-200-RC |
![]() |
![]() FERRITE CHIP 20 OHM 25% |
![]() Data Sheet |
![]() Negotiable |
|
||||||
![]() |
![]() PM2002-300 |
![]() J.W. Miller |
![]() EMI Filter Beads, Chokes & Arrays 47ohm 25% |
![]() Data Sheet |
![]() Negotiable |
|
||||||
![]() |
![]() PM2002-300-RC |
![]() Bourns |
![]() EMI Filter Beads, Chokes & Arrays 47ohms 25% |
![]() Data Sheet |
![]() Negotiable |
|
||||||
![]() |
![]() PM2002DP |
![]() Other |
![]() |
![]() Data Sheet |
![]() Negotiable |
|
||||||
![]() |
![]() PM2003-300 |
![]() J.W. Miller |
![]() EMI Filter Beads, Chokes & Arrays 25% Choke |
![]() Data Sheet |
![]() Negotiable |
|
||||||
(China (Mainland))










