Product Summary
The FP40R12KE3G is an IGBT module.
Parametrics
FP40R12KE3G absolute maximum ratings: (1)repetitive peak reverse voltage, VRRM: 1600V; (2)maximum RMS current at rectifier output, IRMSmax: 60A; (3)DC forward current, Id: 40A; (4)surge forward current, IFSM: 260A; (5)I2t value, I2t: 340A2s.
Features
FP40R12KE3G features: (1)forward voltage, VF: 1.2V; (2)threshold voltage, V(TO): 0.8V; (3)slope resistance, FT: 10.5m; (4)reverse current, IR: 2mA; (5)lead resistance, terminals-chip, RAA+CC: 5m.
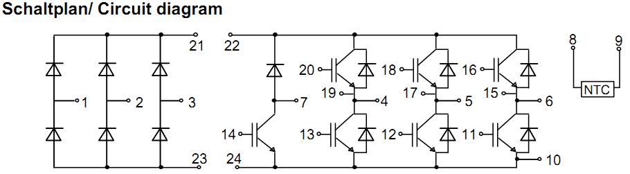
Diagrams

| Image | Part No | Mfg | Description | ![]() |
Pricing (USD) |
Quantity | ||||||||||
|---|---|---|---|---|---|---|---|---|---|---|---|---|---|---|---|---|
![]() |
![]() FP40R12KE3 |
![]() Infineon Technologies |
![]() IGBT Modules 1200V 40A PIM |
![]() Data Sheet |
![]()
|
|
||||||||||
![]() |
![]() FP40R12KE3G |
![]() Infineon Technologies |
![]() IGBT Transistors 1200V 40A PIM |
![]() Data Sheet |
![]()
|
|
||||||||||
(China (Mainland))









