Product Summary
The CM300DY-24A is an IGBT module. It is suitable for AC drive inverters & Servo controls, etc.
Parametrics
CM300DY-24A absolute maximum ratings: (1)Junction Temperature Tj: -40 to 150 ℃; (2)Storage Temperature Tstg: -40 to 125 ℃; (3)Collector-Emitter Voltage (G-E SHORT) VCES: 1200 Volts; (4)Gate-Emitter Voltage (C-E SHORT) VGES: ±20 Volts; (5)Collector Current (TC = 25℃) IC: 300 Amperes; (6)Peak Collector Current ICM: 600* Amperes; (7)Emitter Current (TC = 25℃) IE: 300 Amperes; (8)Peak Emitter Current IEM: 600 Amperes; (9)Maximum Collector Dissipation (TC = 25℃) Pc: 1890 Watts; (10)Mounting Torque, M5 Main Terminal: 3.5 to 4.5 N · m; (11)Mounting Torque, M6 Mounting: 3.5 to 4.5 N · m; (12)Weight: 400 Grams; (13)Isolation Voltage (Main Terminal to Baseplate, AC 1 min.) Viso: 2500 Vrms.
Features
CM300DY-24A features: (1)Low Drive Power; (2)Low VCE(sat); (3)Discrete Super-Fast Recovery Free-Wheel Diode; (4)High Frequency Operation; (5)Isolated Baseplate for Easy Heat Sinking.
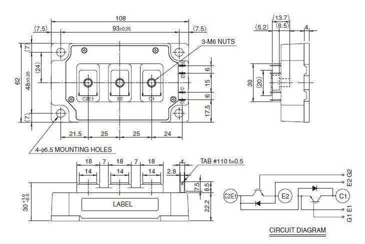
Diagrams

| Image | Part No | Mfg | Description |  | Pricing (USD) | Quantity | ||||||
|---|---|---|---|---|---|---|---|---|---|---|---|---|
|  CM300DY-24A |  |  IGBT MOD DUAL 1200V 300A A SER |  Data Sheet |  Negotiable |  | |||||||
| Image | Part No | Mfg | Description |  | Pricing (USD) | Quantity | ||||||
|  |  CM3002 |  Other |  |  Data Sheet |  Negotiable |  | ||||||
|  |  CM300DU-12F |  |  IGBT MOD DUAL 600V 300A F SER |  Data Sheet |  
 |  | ||||||
|  |  CM300DU-12H |  |  IGBT MOD DUAL 600V 300A U SER |  Data Sheet |  
 |  | ||||||
|  |  CM300DU-12NFH |  |  IGBT MOD DUAL 600V 300A NFH SER |  Data Sheet |  
 |  | ||||||
|  |  CM300DU-24F |  |  IGBT MOD DUAL 1200V 300A F SER |  Data Sheet |  
 |  | ||||||
|  |  CM300DU-24H |  |  IGBT MOD DUAL 1200V 300A U SER |  Data Sheet |  
 |  | ||||||
 (China (Mainland))
 (China (Mainland)) 
                         
                        
 
                                    




