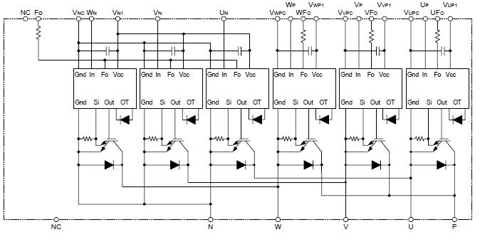
Product Summary
The PM75CLA060 is an intelligent power module. The applications of the PM75CLA060 include General purpose inverter, servo drives and other motor controls.
Parametrics
PM75CLA060 absolute maximum ratings: (1)Collector-Emitter Voltage, VCES: 600V; (2)Collector Current, ±IC: 75A; (3)Collector Current (Peak), ±ICP: 150A; (4)Collector Dissipation, PC: 297W; (5)Junction Temperature, Tj: -20 to +150℃.
Features
PM75CLA060 features: (1)Adopting new 5th generation IGBT (CSTBT) chip, which performance is improved by 1μm fine rule process. For example, typical Vce(sat) = 1.5V @Tj = 125℃; (2)I adopt the over-temperature conservation by Tj detection of; (3)CSTBT chip, and error output is possible from all each conservation upper and lower arm of IPM; (4)New small package Reduce the package size by 10%, thickness by 22% from S-DASH series; (5)3φ75A, 600V Current-sense IGBT type inverter; (6)Monolithic gate drive & protection logic; (7)Detection, protection & status indication circuits for, shortcircuit, over-temperature & under-voltage (P-Fo available; (8)from upper arm devices); (9)Acoustic noise-less 5.5kW/7.5kW class inverter application.
Diagrams

| Image | Part No | Mfg | Description | ![]() |
Pricing (USD) |
Quantity | ||||||||||||||
|---|---|---|---|---|---|---|---|---|---|---|---|---|---|---|---|---|---|---|---|---|
![]() |
![]() PM75CLA060 |
![]() |
![]() MOD IPM L-SERIES 600V 75A |
![]() Data Sheet |
![]()
|
|
||||||||||||||
| Image | Part No | Mfg | Description | ![]() |
Pricing (USD) |
Quantity | ||||||||||||||
![]() |
![]() PM75-100K |
![]() |
![]() INDUCTOR UNSHIELD 10UH 10% SMT |
![]() Data Sheet |
![]() Negotiable |
|
||||||||||||||
![]() |
![]() PM75-100K-RC |
![]() Bourns |
![]() Power Inductors 10uH 10% |
![]() Data Sheet |
![]()
|
|
||||||||||||||
![]() |
![]() PM75-101K |
![]() |
![]() INDUCTOR UNSHIELD 100UH 10% SMT |
![]() Data Sheet |
![]() Negotiable |
|
||||||||||||||
![]() |
![]() PM75-101K-RC |
![]() J.W. Miller |
![]() Power Inductors Power Inductor, Non-Shielded |
![]() Data Sheet |
![]() Negotiable |
|
||||||||||||||
![]() |
![]() PM75-120K |
![]() |
![]() INDUCTOR UNSHIELD 12UH 10% SMT |
![]() Data Sheet |
![]() Negotiable |
|
||||||||||||||
![]() |
![]() PM75-120K-RC |
![]() J.W. Miller |
![]() Power Inductors MAGNETICS - NON-SHIELDED POWER INDUCTOR |
![]() Data Sheet |
![]() Negotiable |
|
||||||||||||||
(China (Mainland))










