Product Summary
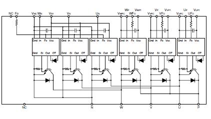
The PM100CLA060 is an intelligent power module. The applications of the PM100CLA060 include General purpose inverter, servo drives and other motor controls.
Parametrics
PM100CLA060 absolute maximum ratings: (1)Collector-Emitter Voltage, VCES: 600V; (2)Collector Current, ±IC: 100A; (3)Collector Current (Peak), ±ICP: 200A; (4)Collector Dissipation, PC: 356W; (5)Junction Temperature, Tj: -20 to +150℃.
Features
PM100CLA060 features: (1)Adopting new 5th generation IGBT (CSTBT) chip, which; (2)performance is improved by 1μm fine rule process. For example, typical Vce(sat)=1.5V @Tj=125℃; (3)I adopt the over-temperature conservation by Tj detection of; (4)CSTBT chip, and error output is possible from all each conservation upper and lower arm of IPM; (5)New small package, Reduce the package size by 10%, thickness by 22% from S-DASH series.; (6)3φ100A, 600V Current-sense IGBT type inverter; (7)Monolithic gate drive & protection logic; (8)Detection, protection & status indication circuits for, shortcircuit, over-temperature & under-voltage (P-Fo available from upper arm devices); (9)Acoustic noise-less 11kW class inverter application.
Diagrams

| Image | Part No | Mfg | Description | ![]() |
Pricing (USD) |
Quantity | ||||||||||||
|---|---|---|---|---|---|---|---|---|---|---|---|---|---|---|---|---|---|---|
![]() |
![]() PM100CLA060 |
![]() |
![]() MOD IPM L-SER 6PAC 600V 100A |
![]() Data Sheet |
![]()
|
|
||||||||||||
| Image | Part No | Mfg | Description | ![]() |
Pricing (USD) |
Quantity | ||||||||||||
![]() |
![]() PM1000G1 |
![]() Anderson Power Products |
![]() Heavy Duty Power Connectors CRIMP TOOL 4 INDENT |
![]() Data Sheet |
![]()
|
|
||||||||||||
![]() |
![]() PM1002G1 |
![]() Anderson Power Products |
![]() Heavy Duty Power Connectors INSERTION TOOL TOOL |
![]() Data Sheet |
![]()
|
|
||||||||||||
![]() |
![]() PM1003G1 |
![]() Anderson Power Products |
![]() Heavy Duty Power Connectors EXTRACTION TOOL TOOL |
![]() Data Sheet |
![]()
|
|
||||||||||||
![]() |
![]() PM1008-100K |
![]() J.W. Miller |
![]() RF Inductors 10uH 10% |
![]() Data Sheet |
![]() Negotiable |
|
||||||||||||
![]() |
![]() PM1008-100K-RC |
![]() J.W. Miller |
![]() RF Inductors 10uH 10% |
![]() Data Sheet |
![]()
|
|
||||||||||||
![]() |
![]() PM1008-10NM |
![]() J.W. Miller |
![]() RF Inductors 10nH 20% |
![]() Data Sheet |
![]() Negotiable |
|
||||||||||||
(China (Mainland))













