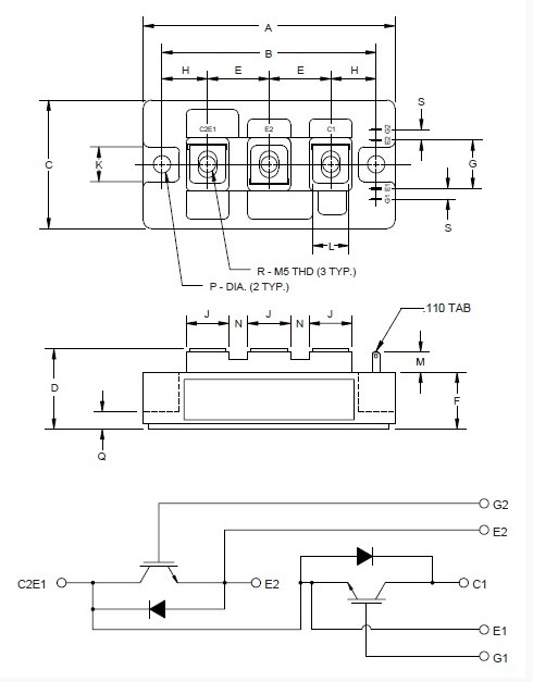
Product Summary
The CM300DY-12H is an IGBT Module. The CM300DY-12H is designed for use in switching applications. Each module consists of two IGBT Transistors in a half-bridge configuration with each transistor having a reverseconnected super-fast recovery free-wheel diode. All components and interconnects are isolated from the heat sinking baseplate, offering simplified system assembly and thermal management.
Parametrics
CM300DY-12H absolute maximum ratings: (1)Junction Temperature Tj: -40 to 150 ℃; (2)Storage Temperature Tstg: -40 to 125 ℃; (3)Collector-Emitter Voltage (G-E SHORT) VCES: 600 Volts; (4)Gate-Emitter Voltage VGES: ±20 Volts; (5)Collector Current IC: 300 Amperes; (6)Peak Collector Current ICM: 600Amperes; (7)Diode Forward Current IF: 300 Amperes; (8)Diode Forward Surge Current IFM: 600Amperes.
Features
CM300DY-12H features: (1)Low Drive Power; (2)Low VCE(sat); (3)Discrete Super-Fast Recover(70ns) Free-Wheel Diode; (4)HigFrequency Operation(20-25kHz); (5)Isolated Baseplate for Easy Heat Sinking.
Diagrams

| Image | Part No | Mfg | Description | ![]() |
Pricing (USD) |
Quantity | ||||||
|---|---|---|---|---|---|---|---|---|---|---|---|---|
![]() |
![]() CM300DY-12H |
![]() |
![]() IGBT MOD DUAL 600V 300A H SER |
![]() Data Sheet |
![]() Negotiable |
|
||||||
| Image | Part No | Mfg | Description | ![]() |
Pricing (USD) |
Quantity | ||||||
![]() |
![]() CM3002 |
![]() Other |
![]() |
![]() Data Sheet |
![]() Negotiable |
|
||||||
![]() |
![]() CM300DU-12F |
![]() |
![]() IGBT MOD DUAL 600V 300A F SER |
![]() Data Sheet |
![]()
|
|
||||||
![]() |
![]() CM300DU-12H |
![]() |
![]() IGBT MOD DUAL 600V 300A U SER |
![]() Data Sheet |
![]()
|
|
||||||
![]() |
![]() CM300DU-12NFH |
![]() |
![]() IGBT MOD DUAL 600V 300A NFH SER |
![]() Data Sheet |
![]()
|
|
||||||
![]() |
![]() CM300DU-24F |
![]() |
![]() IGBT MOD DUAL 1200V 300A F SER |
![]() Data Sheet |
![]()
|
|
||||||
![]() |
![]() CM300DU-24H |
![]() |
![]() IGBT MOD DUAL 1200V 300A U SER |
![]() Data Sheet |
![]()
|
|
||||||
(China (Mainland))










