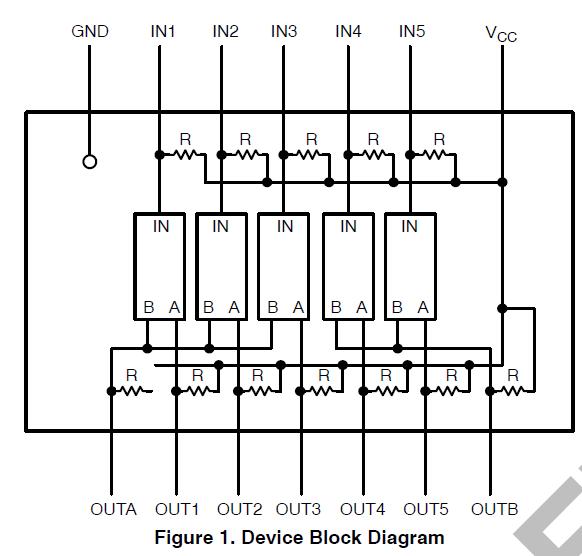
Product Summary
The SF2500EX21 is a keyboard multiplexer fabricated in sub.micron silicon CMOS Technology. The SF2500EX21 is designed to operate over wide operating voltage, with minimum power consumption and very low voltage drop from VCC. The device saves dozens of active and passive components and permits operating voltage far lower than the standard diode scheme. The applications of the SF2500EX21 include Cell Phones, PDAs, MP3 players.
Parametrics
SF2500EX21 absolute maximum ratings: (1)VCC, DC Supply Voltage: -0.5 to +7.0 V; (2)VI, DC Input Voltage: 0 ≤ VCC ≤ VCC +0.5 V; (3)VO, DC Output Voltage: -0.5 to + 7.0 V; (4)IIK, DC Input Diode Current VI < GND: ±50 mA; (5)IOK, DC Output Diode Current VO = GND: -50 mA; (6)IO, DC Output Sink Current: ± 50 mA; (7)ICC, DC Supply Current per Supply Pin: ± 100 mA; (8)IGND, DC Ground Current per Ground Pin: ± 100 mA; (9)TSTG, Storage Temperature Range: -65 to + 150℃; (10)TL, Lead Temperature, 1 mm from Case for 10 Seconds: 260℃; (11)TJ, Junction Temperature under bias: +150℃; (12)θJA, Thermal Resistance: 80℃/W; (13)PD, Power Dissipation in Still Air at 85℃: 800 mW; (14)MSL, Moisture Sensitivity: Level 1; (15)FR, Flammability Rating Oxygen Index: 28 to 34 UL 94 V.0 @ 0125 in; (16)VESD, ESD Test Voltage Human Body Model: > 3000V; Machine Model: > 300V.
Features
SF2500EX21 features: (1)Single Supply Operation; (2)Optimized for 1.8 V to 3.6 V VCC; (3)Tiny 3 x 3 mm QFN-16 Package; (4)Conforms to: JEDEC MO-220, Issue H, Variation VEED-6; (5)Very Low Voltage Drop; (6)Permits Operation Down to 1.65 V; (7)Near Zero Static Power; (8)ESD Protection: Human Body Model (HBM); > 3000 V, Machine Model (MM); >300 V; (9)Latchup Maximum Rating: 200 mA; (10)Pin-to-Pin Compatible with CM2500; (11)This is a Pb-Free Device.
Diagrams

![]() |
![]() SF25 |
![]() Taiwan Semiconductor |
![]() Rectifiers 2A,300V,35NS, SUPER FAST Rect |
![]() Data Sheet |
![]()
|
|
||||||||||
![]() |
![]() SF2500EX22 |
![]() Other |
![]() |
![]() Data Sheet |
![]() Negotiable |
|
||||||||||
![]() |
![]() SF2500EX23 |
![]() Other |
![]() |
![]() Data Sheet |
![]() Negotiable |
|
||||||||||
![]() |
![]() SF25-0881M5UB02 |
![]() |
![]() FILTER SAW 881.00 MHZ |
![]() Data Sheet |
![]()
|
|
||||||||||
![]() |
![]() SF25-1960M5UB01 |
![]() |
![]() FILTER SAW 1960.00 MHZ SMD |
![]() Data Sheet |
![]() Negotiable |
|
||||||||||
![]() |
![]() SF25-B |
![]() Rectron |
![]() Rectifiers 2A 300v 35ns |
![]() Data Sheet |
![]()
|
|
||||||||||
(China (Mainland))










