Product Summary
The PM600CLA060 is an intelligent power module. The applications of the PM600CLA060 include General purpose inverter, servo drives and other motor controls.
Parametrics
PM600CLA060 absolute maximum ratings: (1)Collector-Emitter Voltage, VCES: 600V; (2)Collector Current, ±IC: 600A; (3)Collector Current (Peak), ±ICP: 1200A; (4)Collector Dissipation, PC: 1785W; (5)Junction Temperature, Tj: -20 to +150℃.
Features
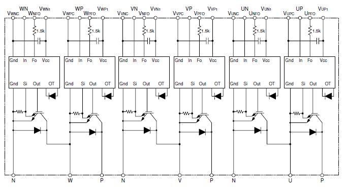
PM600CLA060 features: (1)Adopting new 5th generation IGBT (CSTBT) chip, which performance is improved by 1μm fine rule process. For example, typical Vce(sat)=1.8V @Tj=125℃; (2)I adopt the over-temperature conservation by Tj detection of CSTBT chip, and error output is possible from all each conservation upper and lower arm of IPM; (3)3φ600A, 600V Current-sense IGBT type inverter; (4)Monolithic gate drive & protection logic; (5)Detection, protection & status indication circuits for, shortcircuit, over-temperature & under-voltage (Fo available from all arm devices); (6)Acoustic noise-less 45kW/55kW class inverter application; (7)UL Recognized.
Diagrams

| Image | Part No | Mfg | Description | ![]() |
Pricing (USD) |
Quantity | ||||||||||||
|---|---|---|---|---|---|---|---|---|---|---|---|---|---|---|---|---|---|---|
![]() |
![]() PM600CLA060 |
![]() |
![]() MOD IPM L-SER 6PAC IPM 600V 600A |
![]() Data Sheet |
![]()
|
|
||||||||||||
| Image | Part No | Mfg | Description | ![]() |
Pricing (USD) |
Quantity | ||||||||||||
![]() |
![]() PM600-01 |
![]() J.W. Miller |
![]() RF Inductors 201.6uH 30% |
![]() Data Sheet |
![]() Negotiable |
|
||||||||||||
![]() |
![]() PM600-01-B |
![]() |
![]() INDUCTOR/XFRMR 201.6UH 6 CONFIG |
![]() Data Sheet |
![]() Negotiable |
|
||||||||||||
![]() |
![]() PM600-01-RC |
![]() Bourns |
![]() RF Inductors 201.6uH 30% |
![]() Data Sheet |
![]()
|
|
||||||||||||
![]() |
![]() PM600-02 |
![]() J.W. Miller |
![]() RF Inductors 89.6uH 30% |
![]() Data Sheet |
![]() Negotiable |
|
||||||||||||
![]() |
![]() PM600-02-B |
![]() |
![]() INDUCTOR/XFRMR 89.6UH 6 CONFIG |
![]() Data Sheet |
![]() Negotiable |
|
||||||||||||
![]() |
![]() PM600-02-RC |
![]() J.W. Miller |
![]() RF Inductors 89.6uH 30% |
![]() Data Sheet |
![]()
|
|
||||||||||||
(China (Mainland))










